
根據疫苗純化特點量身定制
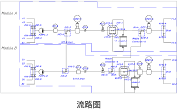
串聯并聯靈活切換
真正1機多用
上樣、洗脫時串聯
平衡、清洗時獨立運行
工藝時間縮短至原來2/3


在填料再生清洗上縮短了一半的時間
雙泵可以同時獨立帶柱子運行
提高了第二根層析柱的填料使用壽命
增加了上樣量
提高了產品的分離度

硬件簡單,控制方式簡單
更接近傳統方式
占地面積小

更簡單母液配制(酸、堿、鹽),準備濃縮母液
減少罐體占地,文件精簡,人工節省
同一種母液可以配制多種緩沖液 (階梯梯度,線性梯度等)
更高的稀釋比
動態控制 – 使用多種控制模式組合
現用現配

主要配液單元采用兩個泵,實現樣品A和B在一定比例下 混合均勻,滿足目標PH±0.1,電導±0.1ms/cm
泵均采用標準的四元隔膜生物泵,A泵最大流速800L/H, B泵最大流速180L/h, 均配質量流量計實現流量反饋控制,流速控制精度≤1%